<- BACK

QP-7でRTTY


突然ですが、、「QP-7でRTTY」なのです。

RTTYはCWと同等のシンプルさで自作向きですよ〜。
基本原理

@VXOを改造する方法・原理

インターフェイス回路例

VXOを改造する方法・回路

信号モニタを兼ねた反転回路を通しています。

わずか170HzのシフトでOKですから、バリキャップの性能は問いません。
送信機系統図

VXOを改造する方法・系統図

私の場合、VXOを含む4ステージのCW送信機からの「軽微な変更」という形で手続きしました。TSS保証認定は不要でした。

総合通信局の審査は補正依頼もなくすんなり通過、備考欄に「免許状発行不要」と書いても、やはり「SASE送れ」とのこと。
インターフェイス写真

作例1・写真

VXO+FSKインターフェイス

動作テスト1

ちゃんとピロピロしています。ソフトウェアは定番の"MMTTY"です。
RS233C

RS232C端子

Windows98時代のPCには当たり前のように装備されていたRS232C(シリアル通信)端子。

これがない場合はUSB変換ケーブルを購入する。(変換ケーブルを通さない方が余計なトラブルがなくてFBだと思います。)
放熱板拡張

放熱板拡張

AM変調の時と同様に「連続送信」となるので、放熱板は大きめの物に交換。
インターフェイス回路例

AQP-7本体の発振回路をシフトする方法

P14とGND間にコンデンサをつなぐと周波数が下がる現象を利用します。

QP-7本体の発信回路はピアスCBなのでVXOには向かない回路ですが、わずか170HzシフトするだけでOK!なのでこんな裏技も利用出来てしまいます。
祐徳電子 7035kHz水晶

7035kHz水晶

2015.01.05のバンドプラン変更により、キット付属の水晶ではRTTYにオンエア出来なくなりました。

改造に最適な7035kHz水晶は「祐徳電子」さんの通販で入手出来ました。
インターフェイス写真

作例2・写真

こんなわずかな改造でQP-7がRTTY送信機に!

動作テスト2

ピロピロ確認。


QPシリーズ・FSK改造基板

あまりにも「とりあえず感」がひどかったので、ユニバーサル基板で作り直しました。
QP-7

BEFORE

基板の切れ端・・
QP-7

AFTER

ちょっとスッキリしましたけどね・・ケースがずっと仮住まい。


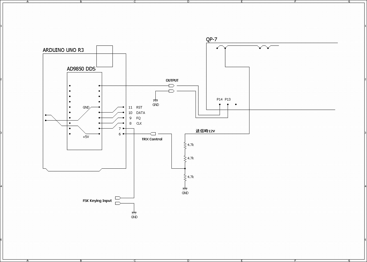
FSK-DDS発振器の実験

AD9850

AD9850

AD9850モジュールをArduino(UNO)でコントロールします。

TTLレベルのFSK Keying入力を持ち、QP-7と組み合わせてRTTY送信機とします。
プログラム

プログラム

DOWNLOAD(.zip)

常時発振では受信の邪魔になるので、送信時のみ発振するようにしています。周波数一波固定(7035kHz)です。
回路

回路