<- BACK

7MHz/21MHz CW


QP-7(2号機)

MIZUHO QP-7 QRPのCW専用機として組み立てた2台目のQP-7です。

いつもタカチのケースにお世話になっていますが、ちょっと個性がありませんね。

今回はアクリル板などを使ってちょっと「自作感」を出してみました。


QP-7のプチ改造

パワーコントロール

電鍵のところに直列に1kのVRを入れるとスムーズにパワーコントロールが出来ます。

0.5Wに絞って「QRPp」枠での運用に挑戦するのもいいかもしれません。


QRPにマッチする電鍵

アメリカのKC5ILR局が息子たちの意見を基に開発、3Dプリンターで製作・販売しているかわいい電鍵です。
QRP機やコンパクト機に、あるいは入門用にぴったりです。
KC5ILR Morse Key

外観

KC5ILR Morse Key

上面及び底面

動画



メモリーキーヤーの製作

PICマイコンによるエレキーの製作、せっかくPICマイコンを使うのだからメモリーキーヤーを作ってみます。
O.I.Key F84 website

エレキー O.I.Key F84

Web上に何かいい製作記事はないかと探してみたところ、こちらのサイト様にFBなのがありました。
AKI-PICプログラマーVer.4

PICライター

プログラムを書き込む「PICライター」として、秋月電子の「AKI-PICプログラマーVer.4」を準備しました。
O.I.Key F84

基板

確認用に仮配線したところ。
O.I.Key F84

完成外観

白のアクリルパネルを使ってみました。

動作テスト

メモリー機能はパドルから対話形式で入力、いつでも自由に書き換え可能。記憶できる文章は1つだけ。


キーボードCW

パソコンのキーボードからモールス符号を送出する「キーボードCW」を試してみました。解読ソフトを併用すればRTTYのような運用スタイルになります。楽チンです♪
送信ソフトウェア

送信ソフトウェア

「CwType」を採用。Windows98系でも動くので、RS232C端子のある古〜いパソコンが使える。
インターフェイス写真

インターフェイス写真

超絶簡単。
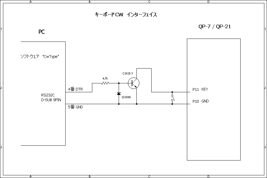
インターフェイス回路

インターフェイス回路

ダイオードは小信号スイッチング用なら何でもOKと思います。
RS232C端子

RS232C端子

RS232C(シリアル通信)端子、最近見なくなりましたね。自作装置との簡単な信号のやりとりにはとても便利なんですけど・・
接続のようす

接続のようす

「手打ち」もすぐ出来る形で接続すると安心です。

動作テスト

パソコンの場合、定型文のメモリー機能もたっぷり使えてFBです。


解読ソフトウェア

解読ソフトウェア

DigitalSoundCW

日本製の「DigitalSoundCW」はなかなか優秀で、よく使っています。