<- BACK

ARDUINO RTTY


ASCII-8

8ビットASCIIコードでのテキスト送受信プログラムの例です。

ASCIIコードはARDUINOの内部データそのものなので、符号の定義が必要ありませんね。そのかわり、BAUDOTには含まれない[BackSpace]キーの処理等が追加となります。
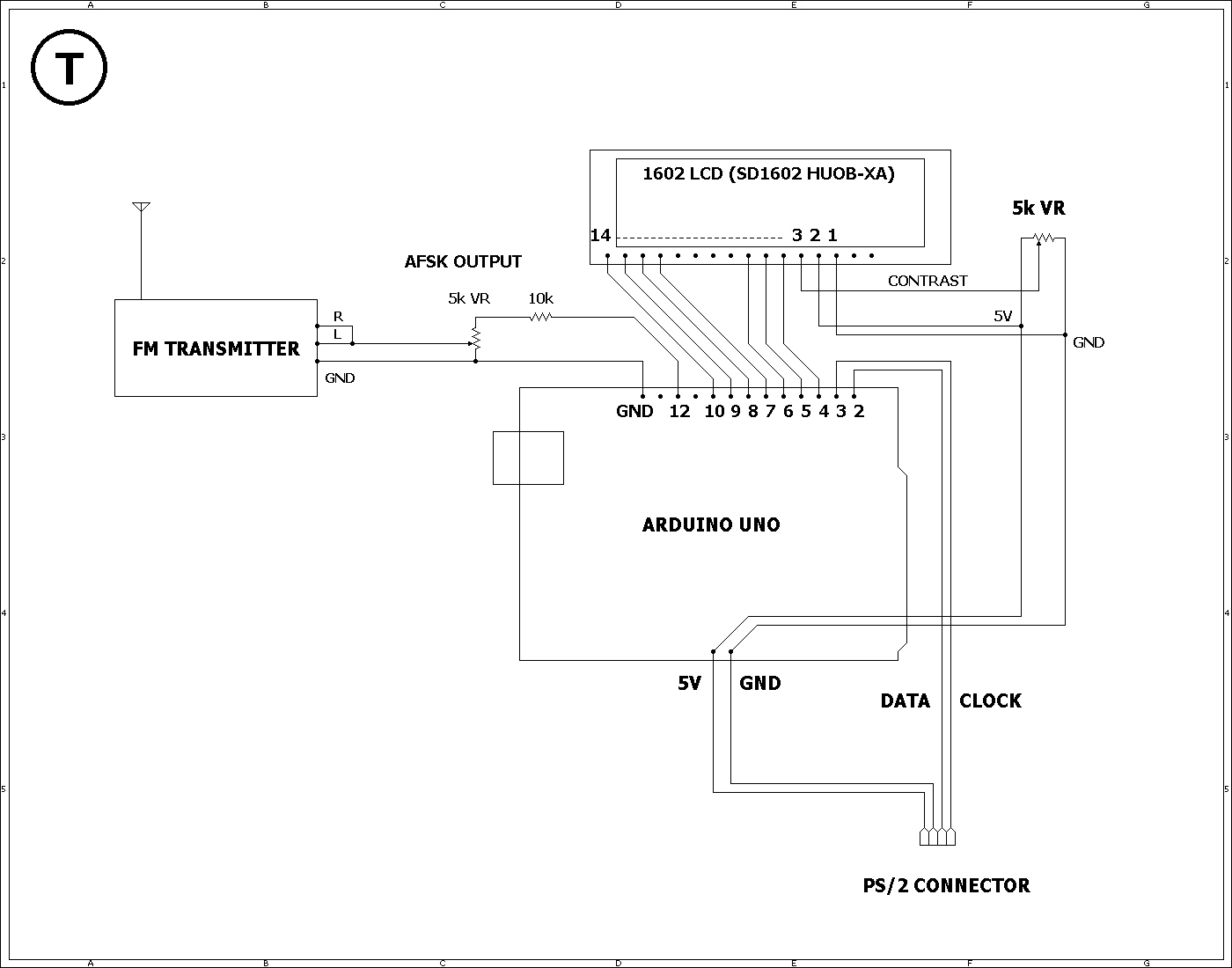
TRANSMITTER

** TRANSMITTER **

ARDUINO_UNOスケッチ

PROGRAM

DOWNLOAD(.zip) v1.0

※あらかじめダウンロード&インストールしてください。
(1)"TimerOne"library
(2)"FlexiTimer2"library
(3)"PS2keyboard"library
SCHEMATIC

SCHEMATIC

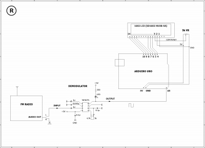
RECEIVER

** RECEIVER **

ARDUINO_UNOスケッチ

PROGRAM

DOWNLOAD(.zip) v1.0

※あらかじめダウンロード&インストールしてください。
(1)"FlexiTimer2"library
SCHEMATIC

SCHEMATIC

動作TEST


受信側の液晶画面です。[BackSpace]キーによる文字削除が機能しています。