<- BACK

ARDUINO RTTY


BAUDOT DECODER

Arduinoで「5単位BAUDOTコード」を解読します。
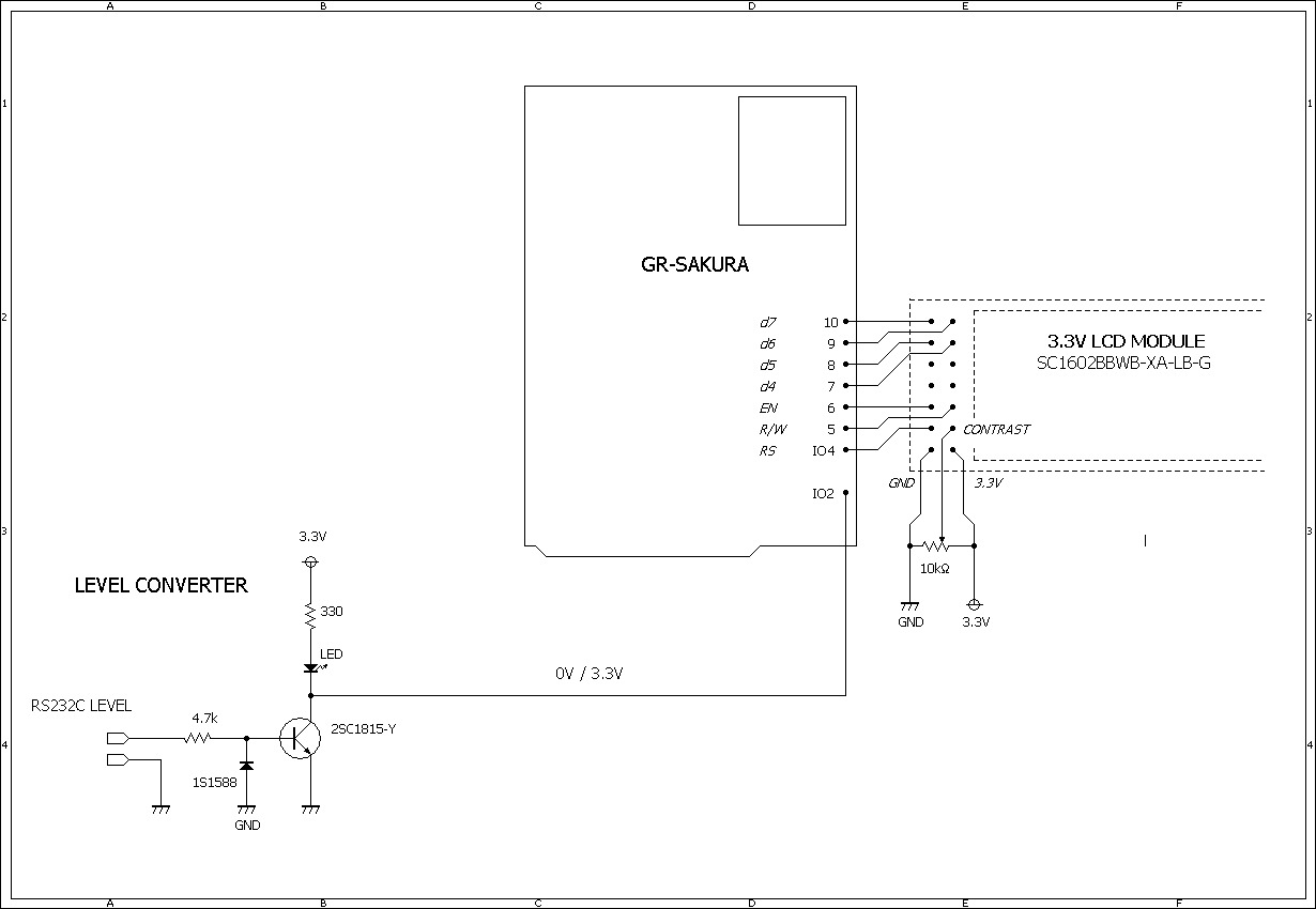
GR-SAKURA 1602 VERSION

** GR-SAKURA 1602 VERSION **

ARDUINO互換の"GR-SAKURA"と16x2液晶を使った製作例です。
DIAGRAM

DIAGRAM

GR-SAKURAスケッチ

PROGRAM

DOWNLOAD(.zip)

※WEBコンパイラ上で「gr_sakura_liquidcrystalライブラリ」をインポートしてください。
SCHEMATIC

SCHEMATIC

>PLL DEMODULATOR

PLL DEMODULATOR

このPLLデモジュレーターと組み合わせて使います。

動作TEST

できました〜!
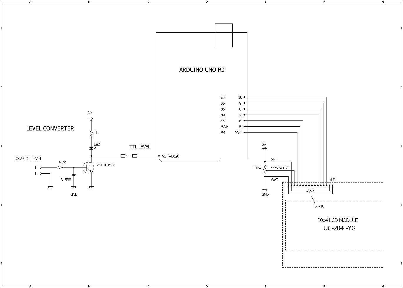
UNO 2004 VERSION

** UNO 2004 VERSION **

ARDUINO UNOと大型の20x4液晶を使った製作例です。
ARDUINO_UNOスケッチ

PROGRAM

縦スクロールの処理が重いかな?と心配しましたが、シリアルでモニターしてみると25ms程度で十分余裕があります。

DOWNLOAD(.zip)

※あらかじめ"FlexiTimer2"ライブラリをダウンロード&インストールしてください。
SCHEMATIC

SCHEMATIC

電源とLEDの接続ピンは、商品によって全くバラバラ。電源逆接で壊さないようにデータシートをしっかり確認。
>PLL DEMODULATOR

PLL DEMODULATOR

このPLLデモジュレーターと組み合わせて使います。

動作TEST

できました〜!
MEGA & 16SEG LED

** MEGA & 16SEG LED **

ARDUINO MEGAと7桁16セグLEDを使った製作例です。
VQB201

VQB201

ドイツ製の古いストック品と思われます。
ARDUINO_UNOスケッチ

PROGRAM

DOWNLOAD(.zip)

※あらかじめダウンロード&インストールしてください。
(1)"TimerOne"ライブラリ
(2)"FlexiTimer2"ライブラリ
SCHEMATIC

SCHEMATIC

>PLL DEMODULATOR

PLL DEMODULATOR

このPLLデモジュレーターと組み合わせて使います。
できました〜!