<- BACK

ARDUINO RTTY


BAUDOT ENCODER ( KEYBOARD INPUT )

Arduinoで「5単位BAUDOTコード」を生成します。

アマチュア無線の実際の交信に使えるものとして、キーボードからのリアルタイム入力をサポートします。
2004 SIMPLE VERSION

** BASIC TEST **

DIAGRAM

DIAGRAM

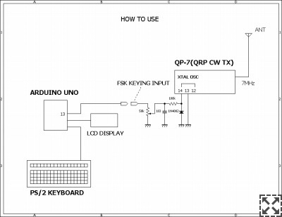
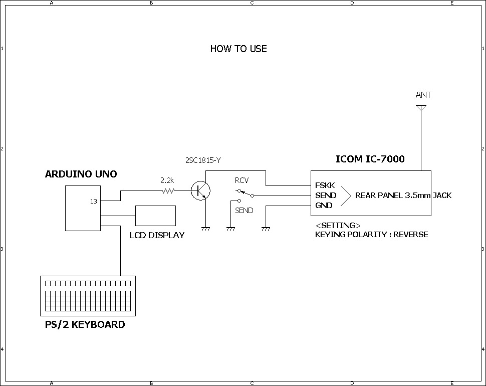
アイコムのIC-7000と組み合わせた例。

IC-7000にはデコーダーが内蔵されているので、PCを必要としないシンプルなRTTYシステムが出来上がります。

意外なことに、最新のIC-7300でもUSBキーボードからの送信機能は付かなかったので、このような付加装置は今後も有用かもしれません。

7600シリーズ以上の高級機との差別化ということでしょうが、とても優秀なデコーダーだけにちょっともったいない気がしますね。

※その他のRTTYデコーダー搭載機種 IC-746(PRO), IC-756(PRO), IC-7100, IC-7400, IC-7410, IC-9100 など、多数あります。
DIAGRAM

DIAGRAM

QP-7と組み合わせた例。

RTTYと自作はとても相性が良い!と個人的には思っているのですが、、
ARDUINO_UNOスケッチ

PROGRAM

DOWNLOAD(.zip) v3.1

「ARDUINO」は世界標準のマイコンボードだけあって、ライブラリ群が非常に充実しています。標準インストールされているものはもちろん、世界中のユーザーが独自のライブラリを公開しています。ほとんど「ないものはない」という感じです。今回はPS/2キーボードを接続するためのライブラリ等を使わせて頂きました。

※あらかじめダウンロード&インストールしてください。
(1)"TimerOne" Library
(2)"FlexiTimer2" Library
(3)"PS2keyboard" Library
INSTALL LIBRARY

INSTALL LIBRARY

ライブラリの「インストール」というのは、解凍したフォルダをライブラリフォルダ内に「配置」するだけのことです。解凍した際にフォルダが2重になった場合は、内側のフォルダだけを配置します。

例えば、"FlexiTimer2"ライブラリをインストールすると左画像のようになります。
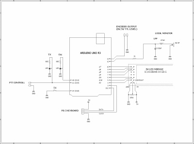
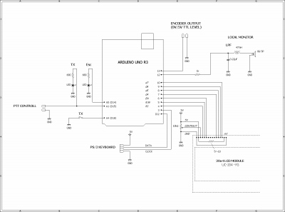
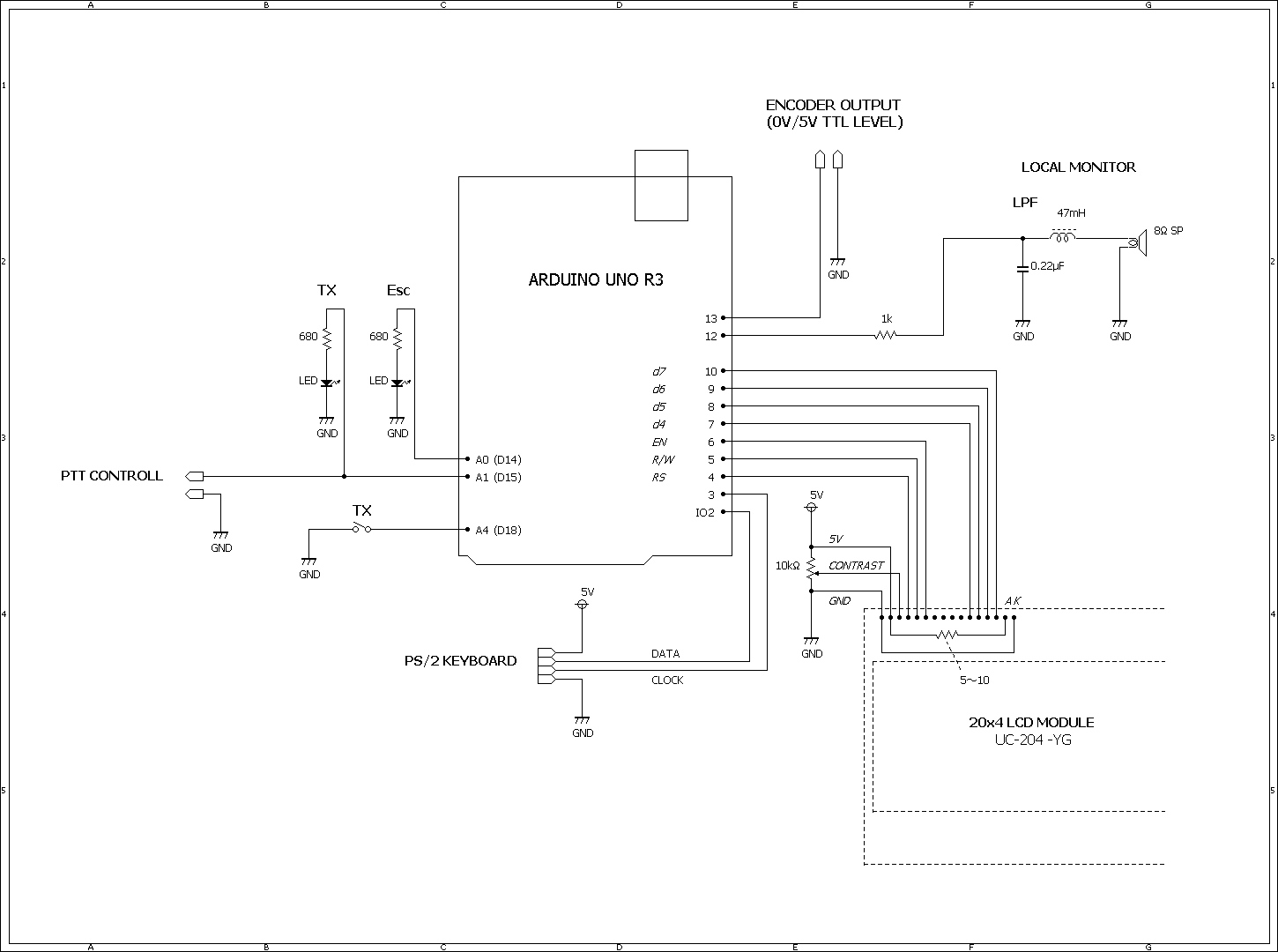
SCHEMATIC

SCHEMATIC

LCD:16x2

12番ピンのAFSK出力は少しノイズが混じりますので、ローカルモニター専用で使うことを推奨します。

AFSK output from pin No.12 is recommended only for local monitor use, because it has some noise.
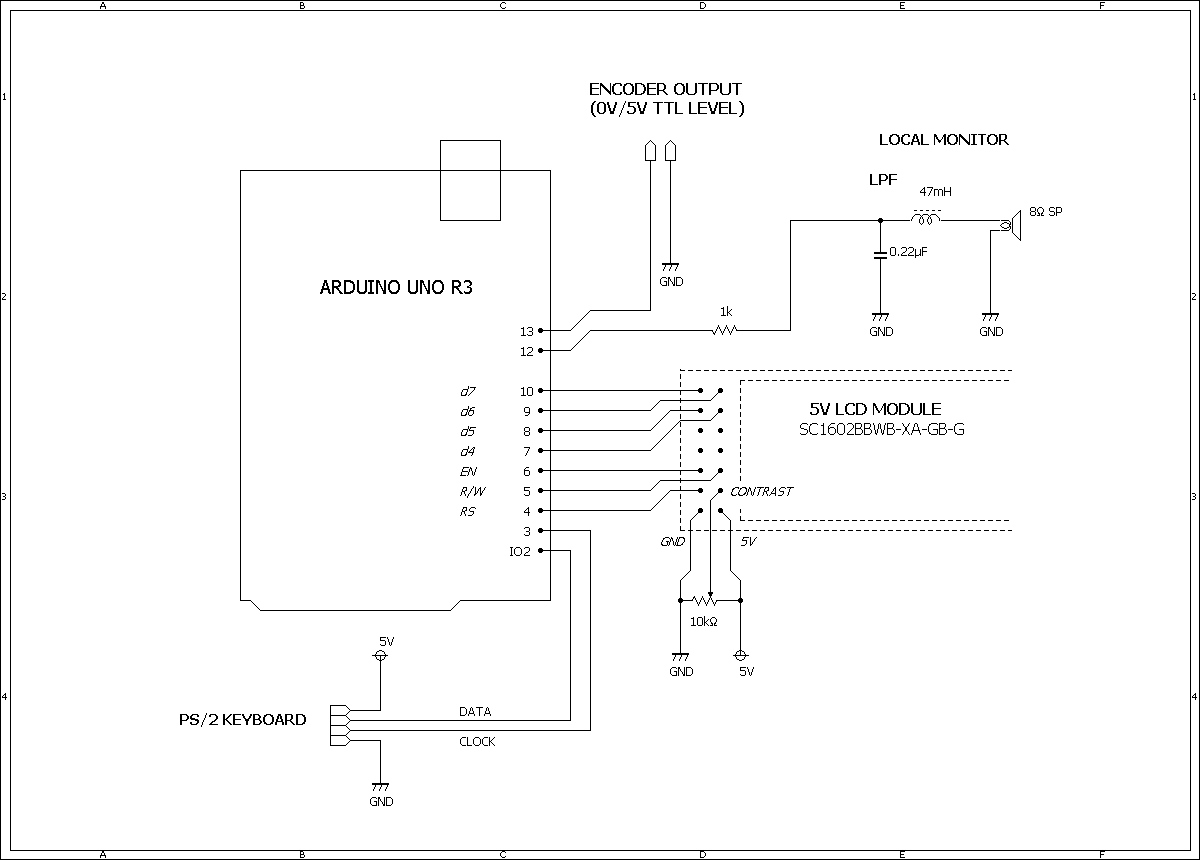
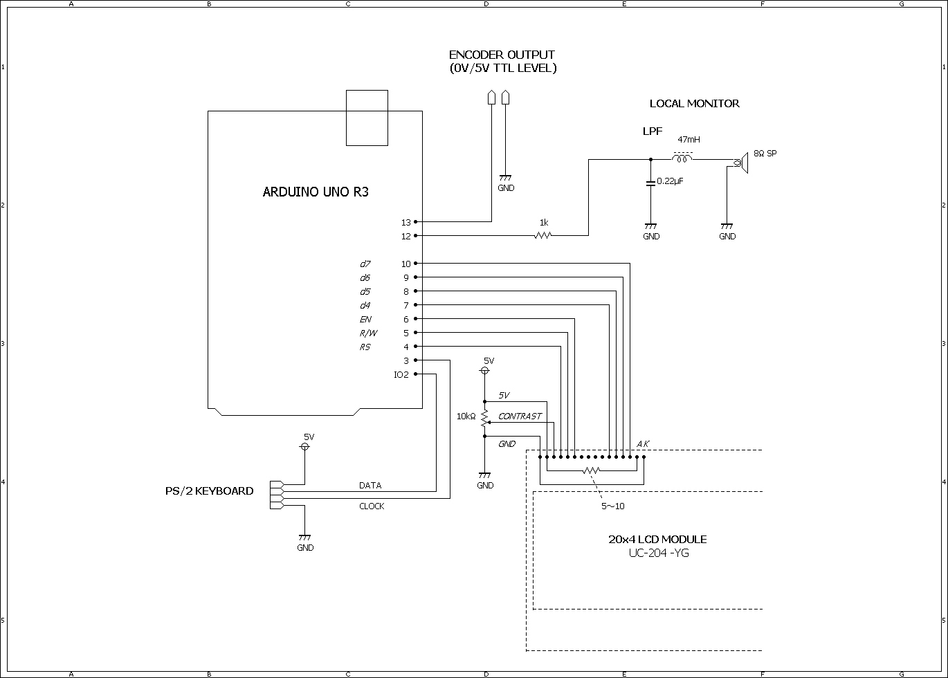
SCHEMATIC

SCHEMATIC

LCD:20x4

動作TEST

できました〜!
PS/2キーボード

PS/2キーボード

一応、念のために確認しておきますが、ソニー「プレステ2」のキーボードではございません^^

写真左側、普通のパソコン用キーボードです。USBキーボードとはコネクタ形状が違いますね。

ちょっと古い規格ですが、今でも入手容易です。キーの多数同時押しを認識するらしく、一部のゲーマーさんに根強い人気。
PS/2コネクタ

PS/2コネクタ

「ミニDIN6P」という名称で売られている汎用品です。
定型文送信

** 20CH MEMORY VERSION **

定型文の送信機能を盛り込んでみました。

これもアマチュア無線の実際の交信においては、ほぼ必須の機能でしょう。

数字キーとファンクションキーに最大20個の定型文を割り当てることができます。
ARDUINO_UNOスケッチ

PROGRAM

DOWNLOAD(.zip) v7.0

v7.0 20CH MEMORY (DIRECTLY EDITED VIA PS/2 KEYBOARD), BUG FIX

PS/2キーボードから直接メモリーを編集できるようになりました。そのうち[F1]は送信中でも随時書き換え可能なので、相手局のコールサインを格納するエリアとして最適です。

※あらかじめダウンロード&インストールしてください。
(1)"TimerOne" Library
(2)"FlexiTimer2" Library
(3)"PS2keyboard" Library
PS2Keyboard.h

PS2keyboard.h

キーボードライブラリのヘッダファイルを修正する必要があります。

"PS2Keyboard.h" in the library must be modified.
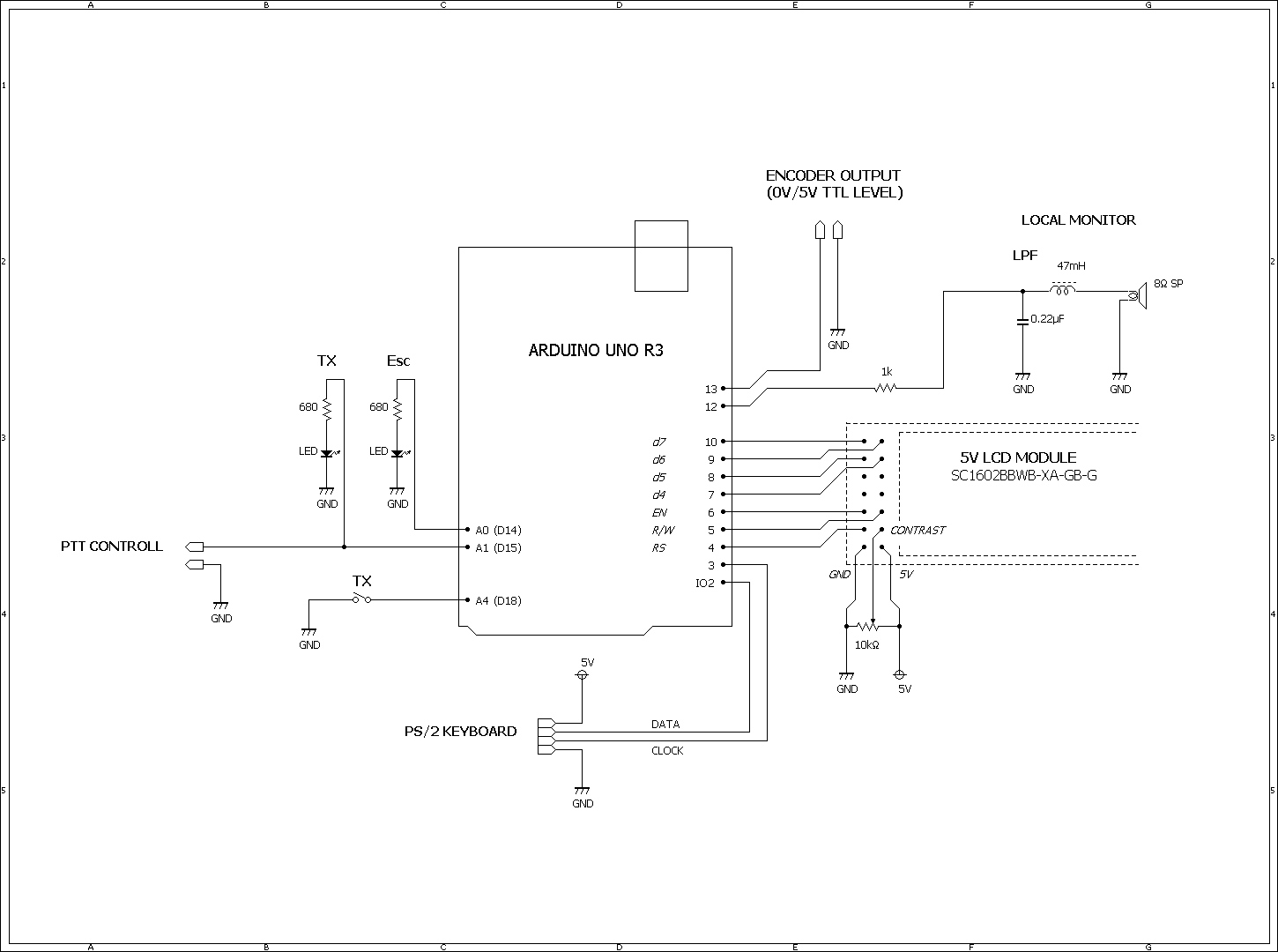
SCHEMATIC

SCHEMATIC

LCD:16x2

12番ピンのAFSK出力は少しノイズが混じりますので、ローカルモニター専用で使うことを推奨します。

AFSK output from pin No.12 is recommended only for local monitor use, because it has some noise.
SCHEMATIC

SCHEMATIC

LCD:20x4
rtty terminal

PICマイコンでの作例

「ARDUINOなんて軟弱、私はPIC派!」という貴方にはI0CG局の作例はいかがでしょう?

似たようなコンセプトの作例の中では一番最初のもので、私もまずはこれを作りました。
ARDUINO RTTY

組み込み例


ARDUINO UNOと完全互換のMetro Miniという小さなマイコンボードを使ってコンパクトに組んでみました。
ARDUINO RTTY

内部

動作TEST

できました〜!

動作TEST

メモリー編集のようす (v7.0)

Editing a memory (v7.0)
F6IDT RTTY ENCODER

** F6IDT VERSION **

フランスのF6IDT局による応用例です。

私の駄作を、いつも美しい実装でまとめ上げて頂いております!
ワード単位送信

** WORD MODE INPUT VERSION **

ワード単位送信の実装に挑戦してみました。

4行目の入力エリアに表示されている単語は、[Space] [Enter] [RightArrow]のいずれかで確定してからエンコードされます。

確定前なら[Backspace]で修正可能という大きな利点があります。
ARDUINO_UNOスケッチ

PROGRAM

DOWNLOAD(.zip) v7.0

v7.0 20CH MEMORY (DIRECTLY EDITED VIA PS/2 KEYBOARD), BUG FIX

※あらかじめダウンロード&インストールしてください。
(1)"TimerOne" Library
(2)"FlexiTimer2" Library
(3)"PS2keyboard" Library
PS2Keyboard.h

PS2keyboard.h

キーボードライブラリのヘッダファイルを修正する必要があります。

"PS2Keyboard.h" in the library must be modified.
SCHEMATIC

SCHEMATIC

12番ピンのAFSK出力は少しノイズが混じりますので、ローカルモニター専用で使うことを推奨します。

AFSK output from pin No.12 is recommended only for local monitor use, because it has some noise.

動作TEST

個人的にミスタイプはかなり多い方なので、これでプレッシャーなく楽に打てるようになります^^

実際のQSOで使ってるところ



RTTYの仕組みを勉強する。

baudot code

Baudot Code (ITA2)

現在は、フランスのボドー(Baudot)さんが作ったオリジナルのコードではなく、"ITA2"という規格のものが使われているようですね。

5bitですから組み合わせは32通り、これではちょっと足りないので"LETTERS"と"FIGURES"コードによって1段目と2段目を行ったり来たりするんですね。
baudot code

実際の信号

「下位ビット」から送出するというのがポイントでしょうか。

機械式テレタイプのストップビットが「1.42bit」というのは物理的制約が関係するようです。電子式の場合は「1bit以上」でOKのようですが、機械式との互換性を考慮して「1.5bit」とすることが多いようです。