<- BACK

7MHz/21MHz AM


自作送信機

MIZUHO QP-21 ミズホ通信/キャリブレーションのCW送信機キットQP-7/QP-21をベースにしたAM送信機です。

変調器は汎用のLM380オーディオアンプ基板を使って構成しました。

7190KHz / 7195KHz / 21380KHz / 21390KHz A3E 1W
MIZUHO QP-7

QP基板・おもて

QPシリーズは専用基板とゆったりした部品配置、組み立ては非常に容易でした。
MIZUHO QP-21

QP基板・うら

半田付けは慣れた人なら2〜3時間の作業。
MIZUHO QP-7 / QP-21

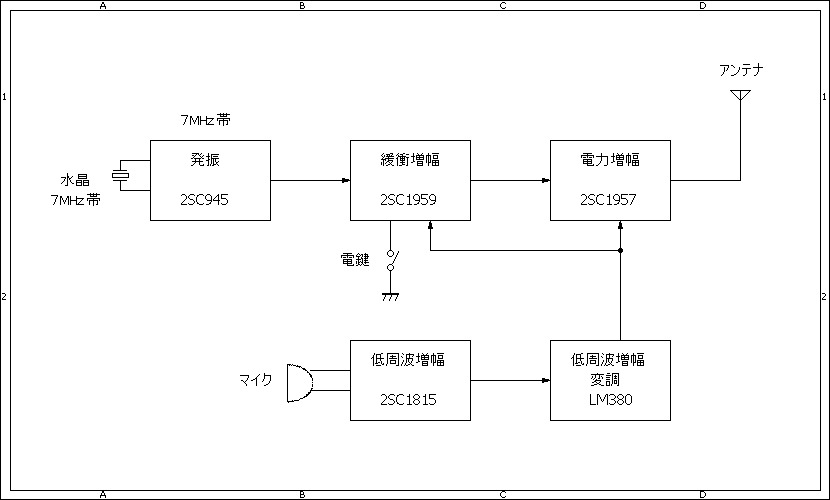
7MHz / 21MHz 構成図

QP-7 / QP-21とオリジナル変調器によるAM送信機の構成図です。

水晶の特注は「アズマ無線工業」さんにお願いしました。キット付属の水晶をサンプルとして送付し、それに合わせて作って頂きました。
QP-7 / QP-21 AM変調

QPシリーズ・AM変調のかけ方

ミズホ時代の古い取説にはAM変調のかけ方が載っていました。トランス周りの結線の参考にどうぞ。
QP-7ブロック図

申請時のブロック図(7MHz)

このブロック図でTSS保証認定を通過しました。QP-21も同様。

CWを使用しない人は電鍵の所を省略してください。

変調方式は「終段及び緩衝段同時コレクタ変調」でいいでしょう。


受信機

ICF-SW7600GR

ICF-SW7600GR

短波ラジオとの組み合わせで運用しています。SSB受信可能なのでSSBで応答があっても(ありがち)大丈夫です^^


放熱板の強化

放熱板

QP-7 / QP-21

QP-7 / QP-21の放熱板は基本的にはCW用ですので、AMではかなり熱を持ちます。

1分〜2分の送信でファイナルが壊れることはまずありませんが、少し強化しておくと安心です。


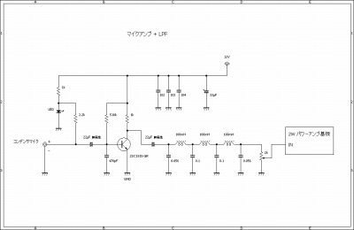
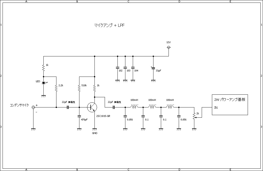
マイクアンプとローパスフィルタの作例

マイクアンプ

試作1・回路

マイクアンプ

試作1・写真

周波数特性

周波数特性

ローパス+アンプの特性です。
回路図

試作2・回路

キャリブレーションさんのキット等で実績のある定番回路そのものですが・・

100mHのコイルは大阪日本橋の「シリコンハウス」さんにて入手。
試作2・写真

試作2・写真

実験用ボードにて検証中。
周波数特性グラフ

周波数特性

帯域内のリプルも少なくて綺麗なカーブです。